413H45FX1

413H45FX1
413H45FX1

方形導軌, 400 Series 滾珠保持架 滑塊, 尺寸: 45 毫米, 高精密 牌號, FX 類型, 1 - 約 0.03 C 預加載


  • 400系列是一種高性價比的傳輸級方形導軌解決方案,適合于對價位比較敏感的應用,并針對工業標準包裝和穿孔導軌元件的更換采用了即插即用型設計。帶保護套和不帶護套的滑架采用相同的軌道設計,只需同一類型的導軌即可匹配多種類型的滑架,因而可以有效提升庫存效率。
  • 聚酯纖維滾珠退回管道可降低噪音和振動,同時保持潤滑
  • 413 ball cage option provides increased travel smoothness, lower noise at high speeds, and individual lubricant reservoirs
  • 雙面滾珠滾道可采用45°面對面軸承配置,使得所有方向上的承載能力相同。

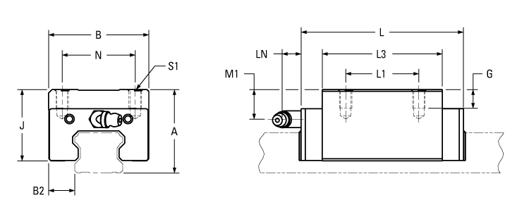
Dimensions

dimensions
尺寸價值
[A] Assembly Height70 毫米
[A] 公差±40 μm 
[B]86 毫米
[B2]20.5 毫米
[B2] Tolerance+/- .04 mm 
[F]10.6 毫米
[G]18 毫米
[J]61.1 毫米
[L] 滑塊長度174 毫米
[L1]80 毫米
[L3]110 毫米
[LN]16 毫米
[M1]24.4 毫米
[N]60 毫米
[Oil H]M8 x 1.25 
[S1]M10 

Specifications

Specifications價值
Temperature Max80 °C
Weight5.1 kg
導軌尺寸(標稱)45 毫米
滾珠/輥子/保持架滾珠保持架 
滑塊/導軌/組件滑塊 
類型名稱FX-窄型超長高模塊 
牌號高精密 
預加載1 - 約 0.03 C 

Performance

performance graphic
performance graphic
Performance價值
100 km Dynamic Load Rating78100 N
50 km Dynamic Load Rating98400 N
Static Load Rating163300 N
最大加速度100 m/s²
最大速度5 m/s

Get Quote

*Please fill out the information below so we can best assist you:

您想定期收到湯姆森電子郵件更新,包括應用故事,在線培訓的機會,新產品信息和鏈接在線設計工具。